

Hãy luôn nhớ cảm ơn và vote 5*
nếu câu trả lời hữu ích nhé!
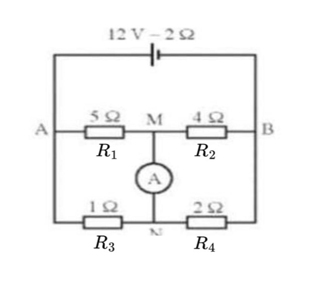
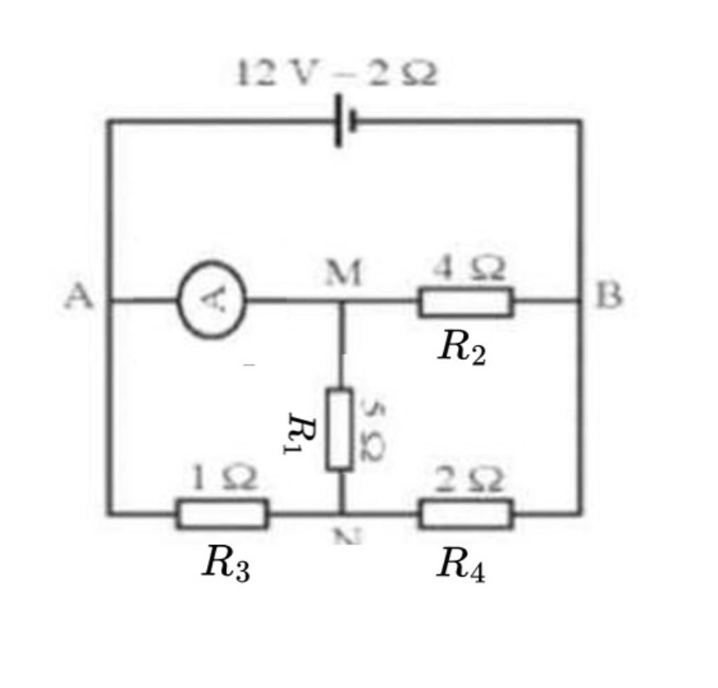
Đáp án `+` Giải thích các bước giải:
b) Lúc sau đổi chỗ Ampe kế và điện trở `R_1`, ta có sơ đồ mạch điện lúc sau:
`[(R_1 //// R_3) nt R_4 ]//// R_2`
Điện trở cụm `R_{13}`:
`R_{13} = (R_1 R_3)/(R_1 + R_3) = (5.1)/(5+1) = 5/6 (Omega)`
Điện trở cụm `R_{134}`:
`R_{134} = R_{13} + R_4 = 5/6 + 2 = 17/6 (Omega)`
Điện trở tương đương toàn mạch ngoài:
`R = (R_{134} R_2)/(R_{134} + R_2) = 68/41 (Omega)`
Cường độ dòng điện toàn mạch:
`I = (mathcalE)/(R +r) = 3,28 (A)`
Hiệu điện thế mạch ngoài:
`U = IR = 3,28 . 68/41 = 5,44 (V) = U_{134}`
Cường độ dòng điện qua cụm `R_{134}`:
`I_{134} = U_{134}/R_{134} = 1,92 (A) = I_{34}`
Hiệu điện thế qua `R_{13}`:
`U_{13} = I_{13} R_{13} = 1,92 . 5/6 = 1,6 (V) = U_3`
Cường độ dòng điện qua `I_3`:
`I_3 = U_3/R_3 = (1,6)/1 = 1,6 (A)`
- Xét tại nút A: `I_3 < I` `(1,6 < 3,28)`. Suy ra dòng điện qua Ampe kế có chiều chạy từ A đến M với số chỉ Ampe kế là:
`I_A = I - I_3 = 3,28 - 1,6 = 1,68 (A)`.
Hãy giúp mọi người biết câu trả lời này thế nào?

Bảng tin