Đăng nhập để hỏi chi tiết


Hãy luôn nhớ cảm ơn và vote 5*
nếu câu trả lời hữu ích nhé!

Đáp án:
đèn không sáng. mắc mạch nối tiếp
Giải thích các bước giải:
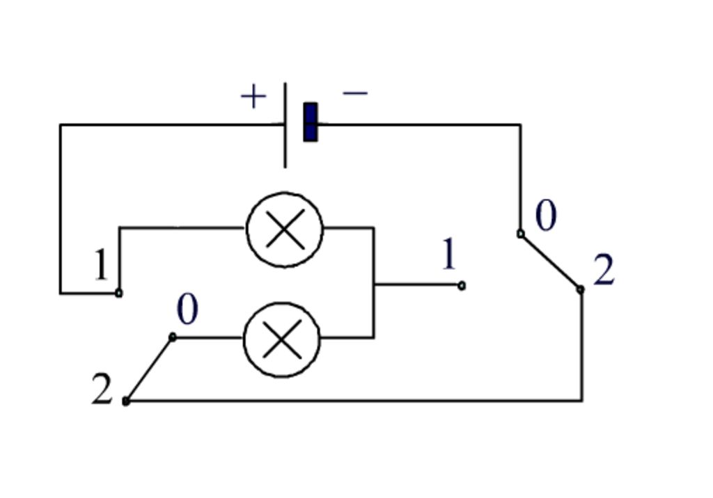
nhận xét: bình thường khi 2 bóng đèn mắc song song vào nguồn thì 2 đèn sáng bình thường và khi 2 đèn mắc nối tiếp vào nguồn đèn kém.
=> vậy phải mắc mạch đảm bảo: ở vị trí này thì 2 đèn mắc song song và ở vị trí kia đèn mắc nối tiếp.
- cách chuyển mạch thứ 2 phải đảm bảo yêu cầu: ở vị trí này mạch hở, ở vị trí kia mạch kín
- mạch như hình vẽ: mạch đang ở vị trí 2 đèn cùng sáng yếu.
Hãy giúp mọi người biết câu trả lời này thế nào?

Bảng tin