Vui lòng chỉ chọn một câu hỏi
Hoidap247.com Nhanh chóng, chính xác
+
Danh mục mới
0
15
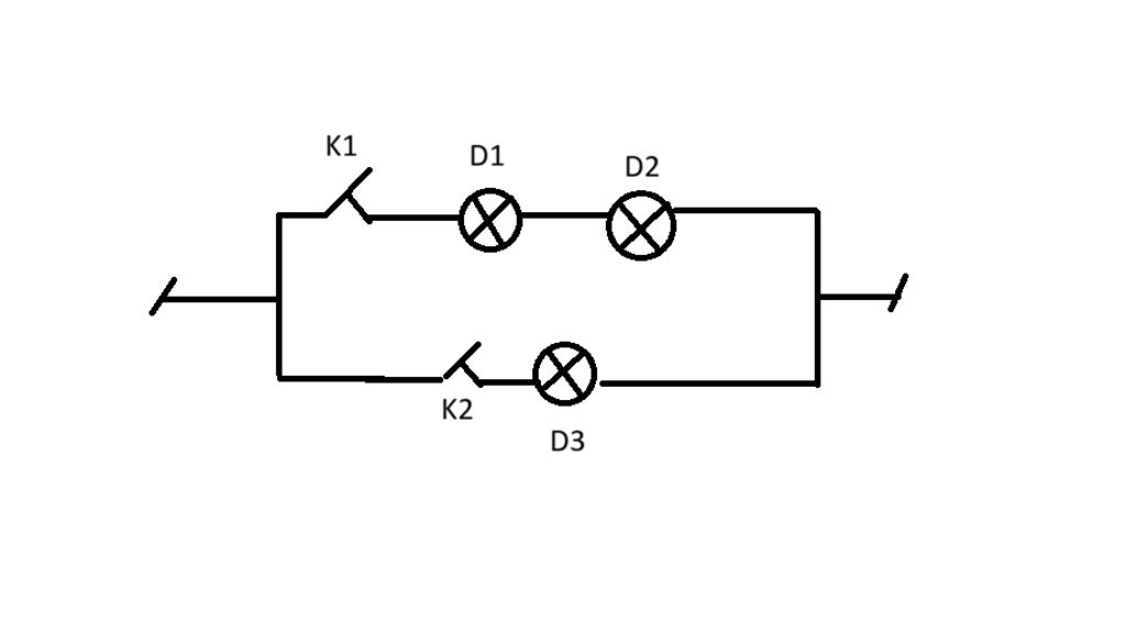
Vẽ sơ đồ gồm 1 nguồn điện, 3 bóng đèn Đ1, Đ2, Đ3 ; 2 công tắc K1,K2, dây dẫn. Sao cho chỉ K1 đóng: Đ1,Đ2 sáng. Sao cho chỉ K2 đóng: K3 sáng. Khi đóng K1,K2: Cả 3 đều sáng
Hãy luôn nhớ cảm ơn và vote 5* nếu câu trả lời hữu ích nhé!
33694
392053
8776
Đáp án:
Hình vẽ
Hãy giúp mọi người biết câu trả lời này thế nào?
713
9196
1146
Cj ơi
Cj còn on ko giúp iem bài này với ạ
Bảng tin
Gửi yêu cầu Hủy
713
9196
1146
Cj ơi
713
9196
1146
Cj còn on ko giúp iem bài này với ạ