

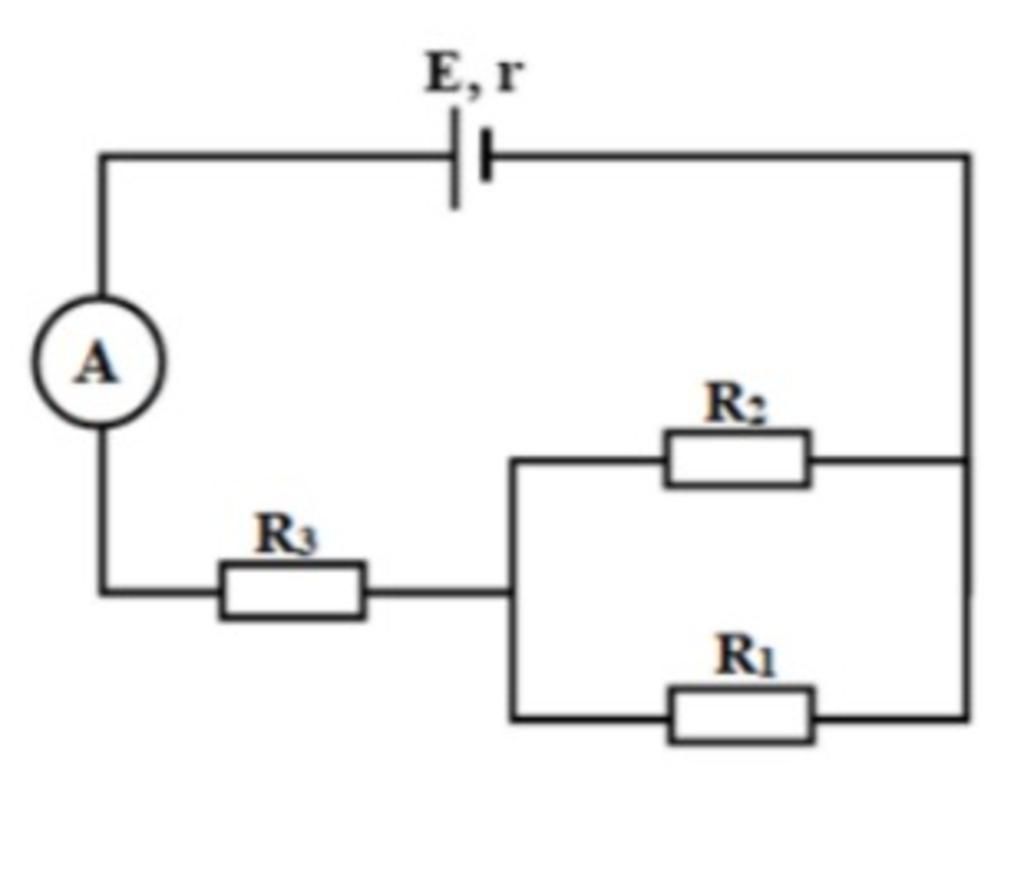
Cho sơ đồ mạch điện như hình vẽ , coi điện trở của dây nối , ampe kế và khó K là không đáng kể .
Suất điện động E=20V, r=0,5 ôm, R1= 6 ôm mắc giữa hai điểm A và M, R2=12 ôm mắc giữa 2 điểm M và N ,R3=0,5 ôm mắc giữa 2 điểm M và N .Tính :
a, điện trở tương đương của mạch ngoài khi K mở
b, Số chỉ ampe kế và cường độ dòng điện qua R2 khi K mở và khi K đóng
c, Công suất toả nhiệt của mạch ngoài khi K mở .
Bảng tin