

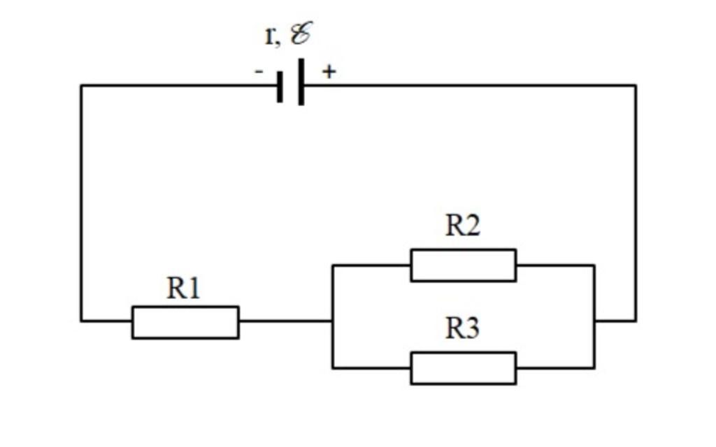
Bài 14: Cho mạch điện như hình vẽ, nguồn điện có suất điện động `30V`, điện trở trong `2,5 Omega`; `R_1=10 Omega,R_2=R_3=5 Omega`.
`a.` Tính điện trở ngoài của mạch điện trên?
`b.` Tính cường độ dòng điện chạy trong mạch?
`c.` Tính hiệu điện thế ở hai đầu điện trở `R_1`?
`d.` Cường độ dòng diện chạy qua `R_2` có giá trị bằng bao nhiêu?
`e.` Tính nhiệt lượng tỏa ra trên `R_3` sau thời gian `5` phút?
Hãy luôn nhớ cảm ơn và vote 5*
nếu câu trả lời hữu ích nhé!
Sơ đồ mạch: `R_1nt(R_2////R_3)`
`a)` Điện trở ngoài của mạch:
`R_N=R_1+(R_2.R_3)/(R_2+R_3)=10+(5.5)/(5+5)=12,5` `(Omega)`
`b)` Cường độ dòng điện chạy qua mạch chính:
`I_M=(mathcalE)/(r+R_N)=(30)/(2,5+12,5)=2` `(A)`
`c)` Hiệu điện thế giữa hai đầu điện trở `R_1`:
`U_1=I_M.R_1=20` `(V)`
`d)` Do `R_2////R_3` nên ta có:
`{(I_M=I_2+I_3),(U_2=U_3):}<=>{(I_M=I_2+I_3),(I_3=(I_2.R_2)/(R_3)):}`
`<=>{(I_M=I_2+I_3),(I_2=I_3):}<=>{(2=2.I_2),(I_2=I_3):}<=>I_2=1` `(A)`
`e)` Nhiệt lượng tỏa ra trên `R_3` sau `5` phút:
`Q=mathcalP.t=I^2.R.t=1^2 .5.5.60=1500` `(J)`
Hãy giúp mọi người biết câu trả lời này thế nào?
Đáp án:
$a)R=12,5 \Omega$
$b)U_1=20V$
$c)I_2=1A$
$d)Q=1500J$
Giải thích các bước giải:
a) Điện trở ngoài mạch:
$R=R_1+\dfrac{R_2R_3}{R_2+R_3}=10+\dfrac{5.5}{5+5}=12,5(\Omega)$
b) Cường độ dòng trong mạch:
$I=\dfrac{E}{r+R}=\dfrac{30}{2,5+12,5}=2(A)$
Hiệu điện thế hai đầu $R_1$:
$U_1=IR_1=2.10=20(V)$
c) Cường độ dòng điện qua $R_2$:
$I_2=\dfrac{I}{2}=\dfrac{2}{2}=1(A)=I_3$
d) Nhiệt tỏa ra trên $R_3$ sau $5$ phút:
$Q=I_3^2R_3.t=1^2.5.5.60=1500(J)$
Hãy giúp mọi người biết câu trả lời này thế nào?
Bảng tin
7595
125310
4039
Mình hỏi tí là kiểu trong cái mạch nó phức tạp mà có gắn ampe kế, vôn kế thì sau khi vẽ làm cách nào để xác định mấy cái đó nó đo điện trở nào được k b
1142
37712
2301
ns sao nhỉ, lm r mik quen thôi :))
1142
37712
2301
qua mes gửi bài nào cụ thể tí đi