

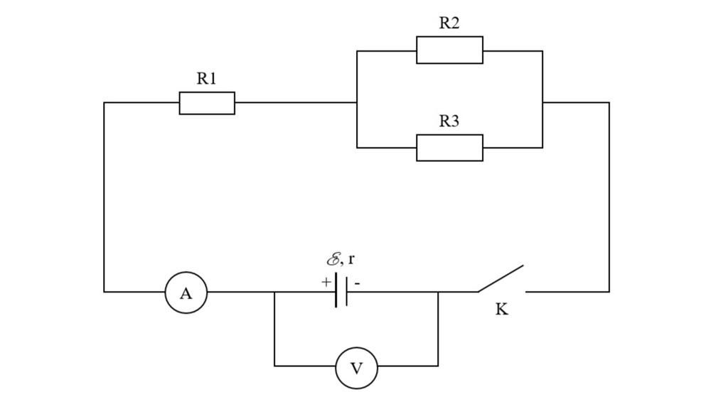
Bài 17: Cho mạch điện có sơ đồ như hình vẽ: Biết `R_2=2 Omega, R_3=3 Omega`. Khi `K` mở, vôn kế chỉ `6V`. Khi `K` đóng vôn kế chỉ `5,6 V` và ampe kế chỉ `2A`.
`a.`Tính suất điện động và điện trở trong của nguồn điện.
`b.`Tính `R_1` và cường độ dòng điện qua `R_2,R_3`.
Hãy luôn nhớ cảm ơn và vote 5*
nếu câu trả lời hữu ích nhé!

Đáp án:
a) \(0,2\Omega \)
b) \(0,8A\)
Giải thích các bước giải:
a) Khi K mở, ta có:
\(E = 6V\)
Khi K đóng, ta có:
\(\begin{array}{l}
E = {U_V} + {I_A}.r \Rightarrow 6 = 5,6 + 2r\\
\Rightarrow r = 0,2\Omega
\end{array}\)
b) Ta có:
\(\begin{array}{l}
{R_{23}} = \dfrac{{{R_2}{R_3}}}{{{R_2} + {R_3}}} = \dfrac{{2.3}}{{2 + 3}} = 1,2\Omega \\
{U_{23}} = {I_A}.{R_{23}} = 2.1,2 = 2,4V\\
{U_1} = {U_V} - {U_{23}} = 5,6 - 2,4 = 3,2V\\
{R_1} = \dfrac{{{U_1}}}{{{I_A}}} = \dfrac{{3,2}}{2} = 1,6\Omega \\
{I_2} = \dfrac{{{R_3}}}{{{R_2} + {R_3}}}.{I_A} = \dfrac{3}{{2 + 3}}.2 = 1,2A\\
{I_3} = {I_A} - {I_2} = 2 - 1,2 = 0,8A
\end{array}\)
Hãy giúp mọi người biết câu trả lời này thế nào?
![]()
Bảng tin