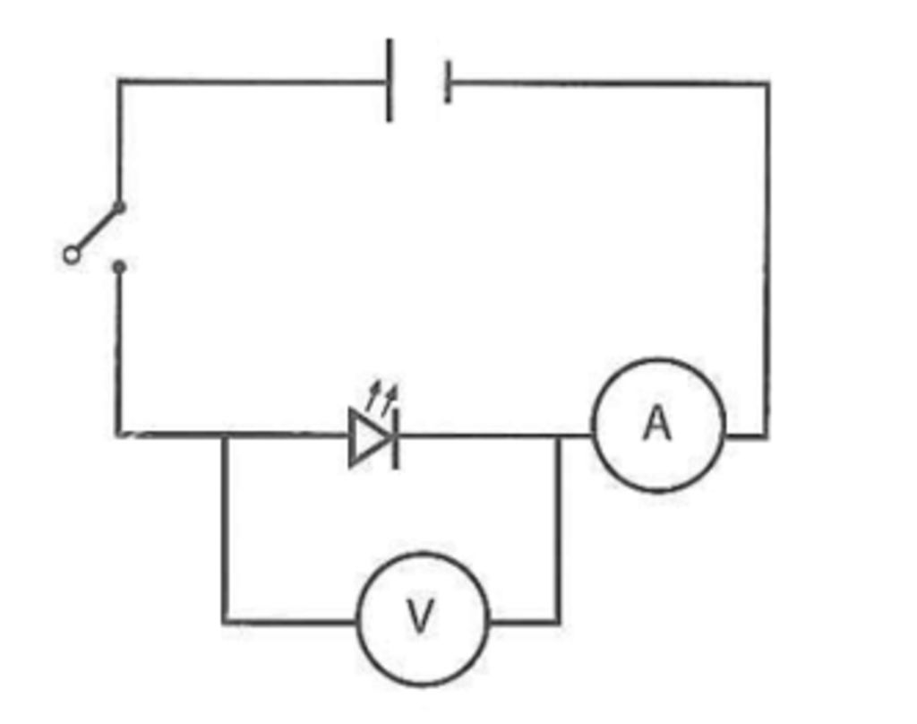
Câu 26: (1 điểm) Cho các dụng cụ gồm: nguồn điện gồm 1 pin, công tắc, đèn LED, ampe kế, vôn
kế. Hãy vẽ sơ đồ mạch điện để ampe kế có thể đo được cường độ dòng điện chạy qua đèn và vôn kế
đo được hiệu điện thế giữa hai đầu của đèn LED. Xác định chiều dòng điện trên mạch vừa vẽ.