

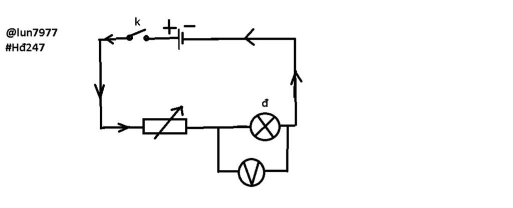
vẽ sơ đồ mạch điện gồm 1 nguồn điện 1 công tắc 1 bóng đèn dây tóc mắc nối tiếp với 1 biến trở 1 ampe kế đo cường độ dòng diện chạy qua mạch 1 vôn kế đo hiệu điện thế giữa hai đầu bóng đèn và kí hiệu chiều dòng điện chạy trong mạch khi công tắc đóng
Hãy luôn nhớ cảm ơn và vote 5*
nếu câu trả lời hữu ích nhé!
công tắc đóng mà bạn :)))
mik nhầm
nên cho 5 * không
ko
thể ko cho
bạn làm hộ mình câu hỏi mik vừa đăng nữa ik mik cho bạn 2 lần 5*
vẽ sơ đồ mạch điện gồm 1 nguồn điện 1 công tắc 1 bóng đèn dây tóc mắc nối tiếp với 1 biến trở 1 ampe kế đo cường độ dòng diện chạy qua mạch 1 vôn kế đo hiệu điện thế giữa hai đầu bóng đèn và kí hiệu chiều dòng điện chạy trong mạch khi công tắc đóng
Bảng tin