Tham Gia Group Dành Cho Lớp 8 Chia Sẻ, Trao Đổi Tài Liệu Miễn Phí
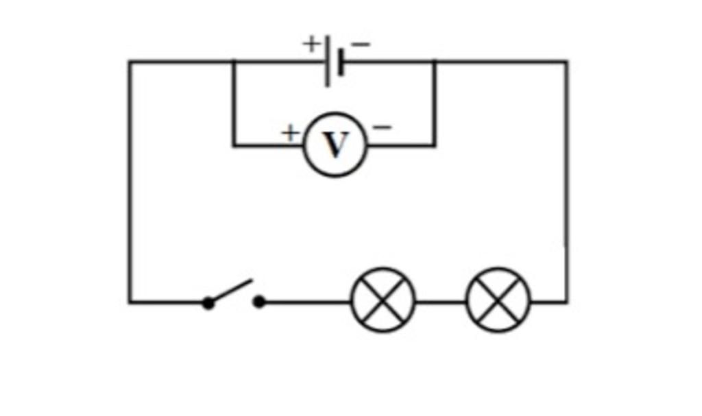
Câu 6: Cho mạch điện như hình vẽ.
A. Hãy vẽ sơ đồ cho mạch điện và xác định
chiều dòng điện trong mạch điện đó?
B. Hãy vẽ thêm vào sơ đồ mạch điện vôn kế
do hiệu điện thế giữa hai đầu đèn hai và
ampe kế đo cường độ dòng điện trong cả
mạch điện?
Đèn 1
Công tác đóng
Đèn 2
Nguồn điện
13546
296809
9809
Sai rồi bạn ơi!
1
0
1
chắc chưa
13546
296809
9809
Hai bóng đèn mắc kiểu gì?
0
100
0
đúng thật là sai rồi