

Hãy luôn nhớ cảm ơn và vote 5*
nếu câu trả lời hữu ích nhé!

Đáp án:
a) \(0,4A\)
b) \(1,8A\)
Giải thích các bước giải:
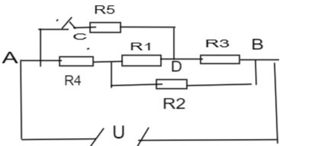
a) K mở, mạch gồm: R4 nt (R2 // (R1 nt R3))
Ta có:
\(\begin{array}{l}
{R_{13}} = {R_1} + {R_3} = 2 + 1 = 3\Omega \\
{R_{123}} = \dfrac{{{R_{13}}.{R_2}}}{{{R_{13}} + {R_1}}} = \dfrac{{3.2}}{{3 + 2}} = 1,2\Omega \\
R = {R_{123}} + {R_4} = 1,2 + 6 = 7,2\Omega \\
I = \dfrac{U}{R} = \dfrac{{7,2}}{{7,2}} = 1A\\
{I_4} = I = 1A\\
{I_1} = {I_3} = \dfrac{{{R_2}}}{{{R_{13}} + {R_1}}}.I = \dfrac{2}{{3 + 2}}.1 = 0,4A\\
{I_2} = I - {I_1} = 1 - 0,4 = 0,6A\\
{I_5} = 0A
\end{array}\)
b) Do: \({R_2}.{R_5} = {R_3}.{R_4} \Rightarrow \) Mạch cầu cân bằng.
Suy ra: \({I_1} = 0A\)
Chập 2 đầu điện trở R1, ta có mạch gồm: (R4 // R5) nt (R2 // R3)
Ta có:
\(\begin{array}{l}
{R_{45}} = \dfrac{{{R_4}{R_5}}}{{{R_4} + {R_5}}} = \dfrac{{6.3}}{{6 + 3}} = 2\Omega \\
{R_{23}} = \dfrac{{{R_2}{R_3}}}{{{R_2} + {R_3}}} = \dfrac{{2.1}}{{2 + 1}} = \dfrac{2}{3}\Omega \\
R = {R_{23}} + {R_{45}} = \dfrac{2}{3} + 2 = \dfrac{8}{3}\Omega \\
I = \dfrac{U}{R} = \dfrac{{7,2}}{{\dfrac{8}{3}}} = 2,7A\\
{I_5} = \dfrac{{{R_4}}}{{{R_4} + {R_5}}}.I = \dfrac{6}{{6 + 3}}.2,7 = 1,8A\\
{I_4} = I - {I_5} = 2,7 - 1,8 = 0,9A\\
{I_3} = \dfrac{{{R_2}}}{{{R_2} + {R_3}}}.I = \dfrac{2}{{2 + 1}}.2,7 = 1,8A\\
{I_2} = I - {I_2} = 2,7 - 1,8 = 0,9A
\end{array}\)
Hãy giúp mọi người biết câu trả lời này thế nào?

Đáp án:
Giải thích các bước giải:
`[(R_1 nt R_3 ) //R_2 ]nt R_4 nt R_5`
a) K mở thì `R_5` không hoạt động
Điện trở `R_{13}`
$R_{13}$ = `R_1+R_3`=`2+1=3` `\Omega`
Điện trở `R_{123}`
`R_{123}`=`frac{R_{13}.R_{2}}{R_{13}+R_{2}``=\frac{3.2}{3+2}` =`1,2\Omega`
Điện trở `R_{tđ}`
`R_{tđ}`= `R_{123}+R_4 ``=``1,2 +6 = 7,2``\Omega`
Cường độ dòng điện mạch:
`I = $\frac{U}{R_{tđ}}$ `=frac{7,2}{7,2}``=1A`
`I=I_1=I_2=I_3=I_4=1A`
b)
Điện trở `R_{13}`
$R_{13}$ = `R_1+R_3`=`2+1=3` `\Omega`
Điện trở `R_{123}`
`R_{123}`=`frac{R_{13}.R_{2}}{R_{13}+R_{2}``=\frac{3.2}{3+2}` =`1,2\Omega`
Điện trở `R_{tđ}`
`R_{tđ}`= `R_{123}+R_4 +R_5``=``1,2 +6+3 = 10,2``\Omega`
Cường độ dòng điện mạch:
`I = $\frac{U}{R_{tđ}}$ `=frac{7,2}{10,2}``=12/17A`
`I=I_1=I_2=I_3=I_4=I_5=12/17A`
Xin hay nhất ạ
Chúc cậu học tốt
Hãy giúp mọi người biết câu trả lời này thế nào?

Bảng tin