

Hãy luôn nhớ cảm ơn và vote 5*
nếu câu trả lời hữu ích nhé!
Câu 5:
- Giá trị cường độ dòng điện (CDDD) là cho biết mức độ mạnh yếu của dòng điện và là giá trị của cường độ dòng điện.
- Cường độ dòng điện (CDDD) được kí hiệu là A.
- Đơn vị đo cường độ dòng điện (CDDD) I trong hệ SI, lấy tên theo nhà Vật lí và Toán học người Pháp André Marie Ampère.
- Cường độ dòng điện (CDDD) được đo bằng Ampe kế.
Câu 6:
- Hiệu điện thế (HDT) được đo bằng vôn kế.
- Hiệu điện thế (HDT) được kí hiệu là V.
- Đơn vị đo hiệu điện thế (HDT) là vôn.
- Số vôn ghi trên mỗi dụng cụ điện là giá trị hiệu điện thế (HDT) định mức.
Câu 7:
- Cách mắc vôn kế: Ở mạch điện cần đo hiệu điện thế, chốt (+) của vôn kế được nối với cực (+) của nguồn qua khóa K, chốt (-) của vôn kế nối với cực (-) của nguồn.
- Cách mắc ampe kế: Ở mạch điện cần đo cường độ dòng điện, chốt (+) của ampe kế được nối với cực (+) của nguồn qua khóa K, chốt (-) của ampe kế nối với một đầu của dụng cụ điện. Đầu kia của của dụng cụ điện được nối với cực âm của nguồn.
- Chú ý:
+ Sắp xếp thực phẩm hợp lý trong tủ lạnh.
+ Kiểm tra dây dẫn.
+ Tắt nguồn điện khi k sủa dụng.
+ Thương xuyên kiểm tra, bảo trì các thiết bị điện.
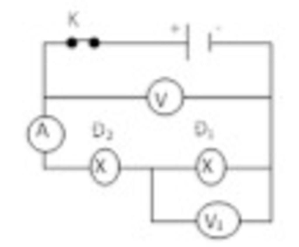
Câu 8:
- Trong mạch điện gồm hai bóng đèn mắc nối tiếp thì:
+ Cường độ dòng điện như nhau giữa các vị trí khác nhau của mạch điện.
+ Hiệu điện thế giữa hai đầu của đoạn mạch bằng tổng các hiệu điên thế trên mỗi đèn.
Hãy giúp mọi người biết câu trả lời này thế nào?

Bảng tin
162
1193
136
ảnh là của câu mấy v bạn
303
4934
199
câu 8 bạn
162
1193
136
mình cảm ơn
303
4934
199
cho mk xin hay nhất nhé bạn