Vui lòng chỉ chọn một câu hỏi
Hoidap247.com Nhanh chóng, chính xác
+
Danh mục mới
172
3062
82
Hãy luôn nhớ cảm ơn và vote 5* nếu câu trả lời hữu ích nhé!
1066
29922
1056
$#tram8356$
$#ALL ONE$
Hãy giúp mọi người biết câu trả lời này thế nào?
0
50
tại sao khóa K lại mở ạ?
mik muốn vẽ mở hay đóng cx đc ạ
32941
383358
8657
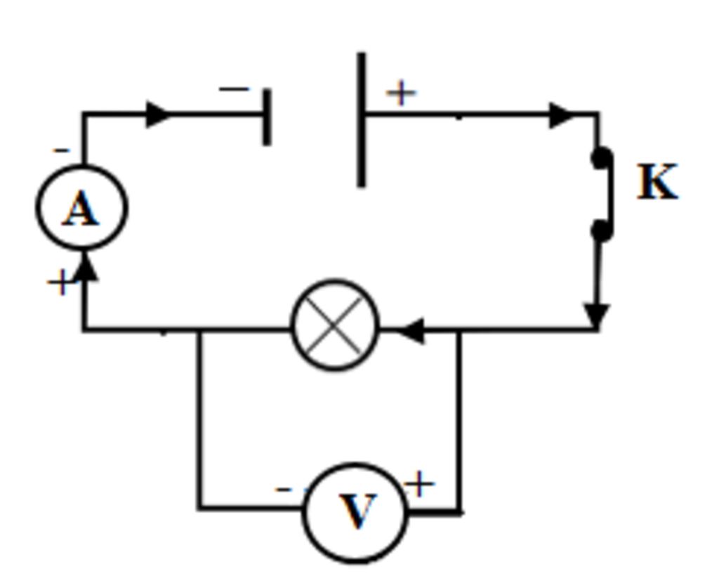
Đáp án:
Hình vẽ
Bảng tin
Gửi yêu cầu Hủy
0
50
0
tại sao khóa K lại mở ạ?
1066
29922
1056
mik muốn vẽ mở hay đóng cx đc ạ