

Hãy luôn nhớ cảm ơn và vote 5*
nếu câu trả lời hữu ích nhé!

Đây là câu trả lời đã được xác thực
Câu trả lời được xác thực chứa thông tin chính xác và đáng tin cậy, được xác nhận hoặc trả lời bởi các chuyên gia, giáo viên hàng đầu của chúng tôi.
Đáp án:
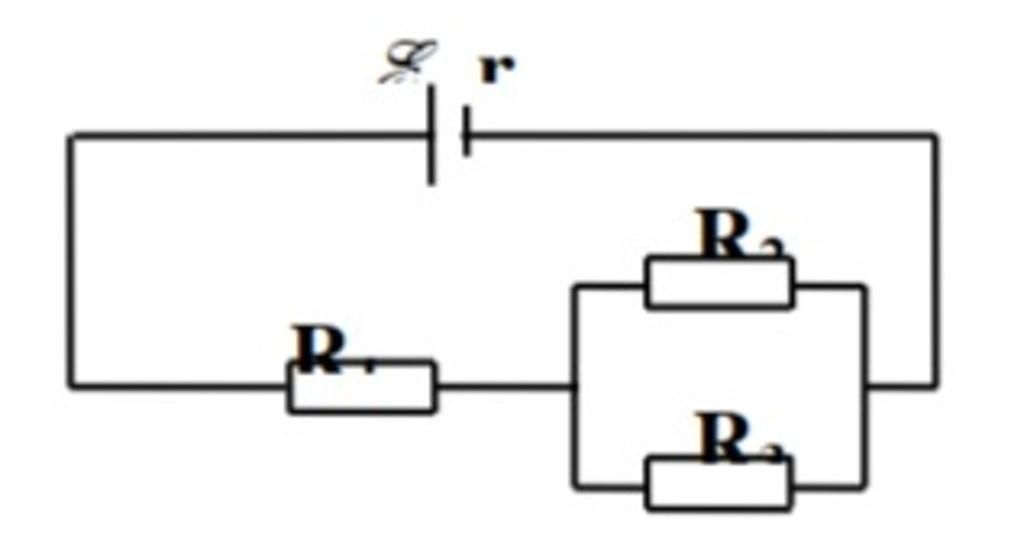
a) Mạch: `R_{1}nt(R_{2}`//`R_{3})`
`R_{23}=\frac{R_{2}.R_{3}}{R_{2}+R_{3}}=\frac{6.12}{6+12}=4(\Omega)`
Điện trở tương đương của mạch ngoài:
`R_{N}=R_{1}+R_{23}=3+4=7(\Omega)`
b) Cường độ dòng điện chạy qua mạch:
`I=\frac{E}{R_{N}+r}=\frac{12}{7+1}=1,5(A)`
Nhiệt lượng tỏa ra ở mạch ngoài trong 10 phút là:
`Q=(R_{N}+r).I^{2}.t`
`Q=(7+1).1,5^{2}.10.60`
`Q=10800(J)`
Hãy giúp mọi người biết câu trả lời này thế nào?
Bảng tin
634
5928
2046
https://hoidap247.com/cau-hoi/3045565 Giúp e vs ạ