

Hãy luôn nhớ cảm ơn và vote 5*
nếu câu trả lời hữu ích nhé!

Đáp án:
$\begin{array}{l}
a.U = 24,75V\\
b.\dfrac{{MC}}{{MN}} = \dfrac{3}{4}
\end{array}$
Giải thích các bước giải:
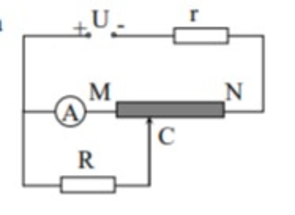
a. Khi con chạy ở chính giữa thanh MN thì:
${R_{MC}} = {R_{CN}} = \dfrac{{{R_{MN}}}}{2} = \dfrac{{60}}{2} = 30\Omega $
Điện trở tương đương của đoạn mạch là:
${R_{td}} = r + {R_{CN}} + \dfrac{{{R_{MC}}R}}{{{R_{MC}} + R}} = 30 + 15 + \dfrac{{30.15}}{{30 + 15}} = 55\Omega $
Cường độ dòng điện qua mạch là:
${I_m} = \dfrac{U}{{{R_{td}}}} = \dfrac{U}{{55}}$
Hiệu điện thế hai đầu đoạn mạch là:
$\begin{array}{l}
{I_A} = \dfrac{R}{{{R_{MC}} + R}}{I_m} \Leftrightarrow \dfrac{{15}}{{30 + 15}}.\dfrac{U}{{55}} = 0,15\\
\Leftrightarrow 15U = 371,25 \Rightarrow U = 24,75V
\end{array}$
b. Đặt: RMC = x ⇒ RCN = 60 - x
Điện trở tương đương của đoạn mạch lúc này là:
$\begin{array}{l}
{R_{td}} = r + {R_{CN}} + \dfrac{{{R_{MC}}R}}{{{R_{MC}} + R}} = 30 + 60 - x + \dfrac{{15x}}{{15 + x}}\\
\Leftrightarrow {R_{td}} = \dfrac{{\left( {90 - x} \right)\left( {15 + x} \right) + 15x}}{{15 + x}} = \dfrac{{1350 + 75x - {x^2} + 15x}}{{15 + x}}\\
\Leftrightarrow {R_{td}} = \dfrac{{ - {x^2} + 90x + 1350}}{{15 + x}}
\end{array}$
Cường độ dòng điện qua mạch lúc này là:
${I_m} = \dfrac{U}{{{R_{td}}}} = \dfrac{{24,75\left( {15 + x} \right)}}{{ - {x^2} + 90x + 1350}}$
Cường độ dòng điện qua ampe kế là:
$\begin{array}{l}
{I_A} = \dfrac{R}{{{R_{MC}} + R}}{I_m} = \dfrac{{15}}{{15 + x}}.\dfrac{{24,75\left( {15 + x} \right)}}{{ - {x^2} + 90x + 1350}}\\
\Leftrightarrow {I_A} = \dfrac{{371,25}}{{ - {x^2} + 90x + 1350}}
\end{array}$
Để số chỉ của ampe kế đạt giá trị cực tiểu thì ${ - {x^2} + 90x + 1350}$ đạt giá trị cực đại
Lại có:
$\begin{array}{l}
M = - {x^2} + 90x + 1350\\
\Leftrightarrow M = - \left( {{x^2} - 90x - 1350} \right) \le 0\\
\Leftrightarrow - \left( {{x^2} - 2.45x + 2025 - 2025 - 1350} \right) \le 0\\
\Leftrightarrow - {\left( {x - 45} \right)^2} + 3375 \le 3375\\
\Leftrightarrow M \le 3375
\end{array}$
Dấu "=" xảy ra khi:
$ - {\left( {x - 45} \right)^2} = 0 \Leftrightarrow x - 45 = 0 \Rightarrow x = 45\Omega $
Vậy để số chỉ của ampe kế là nhỏ nhất thì cần điểu chỉnh biến chỉnh sao cho:
$\dfrac{{MC}}{{MN}} = \dfrac{{{R_{MC}}}}{{{R_{MN}}}} = \dfrac{{45}}{{60}} = \dfrac{3}{4}$
Hãy giúp mọi người biết câu trả lời này thế nào?
Bảng tin

0
50
0
câu a tính Rtđ sai kìa, dẫn đến cả bài sai theo