

Hãy luôn nhớ cảm ơn và vote 5*
nếu câu trả lời hữu ích nhé!

Đáp án:
$\begin{array}{l}
a.\left[ \begin{array}{l}
{R_x} = 9\Omega \Rightarrow H = 56,25\% \\
{R_x} = 1\Omega \Rightarrow H = 18,75\%
\end{array} \right.\\
b.{R_x} = 3\Omega \\
{P_{{x_{\max }}}} = 12W
\end{array}$
Giải thích các bước giải:
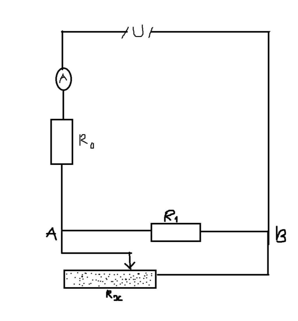
a. ĐIện trở tương đương của đoạn mạch là:
${R_{td}} = {R_o} + \dfrac{{{R_1}{R_x}}}{{{R_x} + {R_1}}} = 4 + \dfrac{{12{R_x}}}{{12 + {R_x}}} = \dfrac{{48 + 16{R_x}}}{{12 + {R_x}}}$
Cường độ dòng điện qua mạch là:
${I_m} = {I_o} = \dfrac{U}{{{R_{td}}}} = \dfrac{{16\left( {12 + {R_x}} \right)}}{{48 + 16{R_x}}} = \dfrac{{12 + {R_x}}}{{3 + {R_x}}}$
Cường độ dòng điện qua điện trở Rx là:
${I_x} = \dfrac{{{R_1}}}{{{R_1} + {R_x}}}.{I_m} = \dfrac{{12}}{{12 + {R_x}}}.\dfrac{{12 + {R_x}}}{{3 + {R_x}}} = \dfrac{{12}}{{3 + {R_x}}}$
Điện trở Rx là:
$\begin{array}{l}
{P_x} = {I_x}^2.{R_x} = \dfrac{{144{R_x}}}{{{{\left( {3 + {R_x}} \right)}^2}}} = 9\\
\Leftrightarrow 16{R_x} = 9 + 6{R_x} + {R_x}^2\\
\Leftrightarrow {R_x}^2 - 10{R_x} + 9 = 0\\
\Rightarrow \left[ \begin{array}{l}
{R_x} = 9\Omega \\
{R_x} = 1\Omega
\end{array} \right.
\end{array}$
Khi Rx = 9, cường độ dòng điện qua mạch là:
${I_m} = {I_o} = \dfrac{{12 + {R_x}}}{{3 + {R_x}}} = \dfrac{{12 + 9}}{{3 + 9}} = 1,75A$
Điện năng tiêu thụ trên toàn mạch là:
${A_{tp}} = U.{I_m}t = 16.1,75t = 28t\left( J \right)$
Điện năng tiêu thụ hao phí là:
${A_{hp}} = {A_o} = {I_o}^2.{R_o}.t = 1,{75^2}.4t = 12,25t\left( J \right)$
Hiệu suất của đoạn mạch AB là:
$H = \dfrac{{{A_i}}}{{{A_{tp}}}}100\% = \dfrac{{{A_{tp}} - {A_{hp}}}}{{{A_{tp}}}}.100\% = \dfrac{{28t - 12,25t}}{{28t}}.100\% = 56,25\% $
Khi Rx = 1, cường độ dòng điện qua mạch là:
${I_m} = {I_o} = \dfrac{{12 + {R_x}}}{{3 + {R_x}}} = \dfrac{{12 + 1}}{{3 + 1}} = 3,25A$
Điện năng tiêu thụ trên toàn mạch là:
${A_{tp}} = U.{I_m}.t = 16.3,25t = 52t$
Điện năng tiêu thụ hao phí là:
${A_{hp}} = {I_o}^2.{R_o} = 3,{25^2}.4 = 42,25t$
Hiệu suất của đoạn mạch AB là:
$H = \dfrac{{{A_i}}}{{{A_{tp}}}}100\% = \dfrac{{{A_{tp}} - {A_{hp}}}}{{{A_{tp}}}}.100\% = \dfrac{{52t - 42,25t}}{{52t}}.100\% = 18,75\% $
b. Ta có:
${P_x} = {I_x}^2.{R_x} = \dfrac{{144{R_x}}}{{{{\left( {3 + {R_x}} \right)}^2}}} = \dfrac{{144}}{{{{\left( {\dfrac{3}{{\sqrt {{R_x}} }} + \sqrt {{R_x}} } \right)}^2}}}$
Để công suất trên đạt giá trị cực đại thì ${{{\left( {\dfrac{3}{{\sqrt {{R_x}} }} + \sqrt {{R_x}} } \right)}^2}}$ đạt giá trị cực tiểu.
Áp dụng bất đẳng thức cô si cho 2 số không âm ${\dfrac{3}{{\sqrt {{R_x}} }}}$ và ${\sqrt {{R_x}} }$ ta được:
$\begin{array}{l}
\dfrac{3}{{\sqrt {{R_x}} }} + \sqrt {{R_x}} \ge 2\sqrt {\dfrac{3}{{\sqrt {{R_x}} }}.\sqrt {{R_x}} } = 2\sqrt 3 \\
\Leftrightarrow {\left( {\dfrac{3}{{\sqrt {{R_x}} }} + \sqrt {{R_x}} } \right)^2} \ge {\left( {2\sqrt 3 } \right)^2} = 12
\end{array}$
Dấu "=" xảy ra khi:
$\dfrac{3}{{\sqrt {{R_x}} }} = \sqrt {{R_x}} \Leftrightarrow {R_x} = 3\Omega $
Công suất cực đại đó là:
${P_x} = \dfrac{{144}}{{{{\left( {\dfrac{3}{{\sqrt {{R_x}} }} + \sqrt {{R_x}} } \right)}^2}}} \le \dfrac{{144}}{{12}} = 12W \Leftrightarrow {P_{{x_{\max }}}} = 12W$
Hãy giúp mọi người biết câu trả lời này thế nào?
Bảng tin