

Hãy luôn nhớ cảm ơn và vote 5*
nếu câu trả lời hữu ích nhé!

Đáp án:
$\begin{align}
& a){{U}_{2}}=7,127V \\
& b){{R}_{V}}=900\Omega \\
& {{U}_{AB}}=19V \\
\end{align}$
Giải thích các bước giải:
${{R}_{1}}=300\Omega ;{{R}_{2}}=225\Omega ;{{U}_{V1}}=9,5V;$
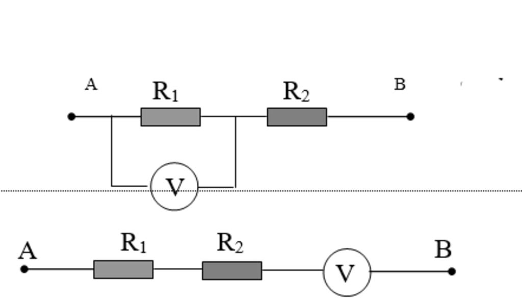
Sơ đồ mạch điện : $V//{{R}_{1}}$
ta có: Điện trở toàn mạch:
$\begin{align}
& {{R}_{AB}}=\dfrac{{{R}_{1}}.{{R}_{V}}}{{{R}_{1}}+{{R}_{V}}}+{{R}_{2}} \\
& =\dfrac{{{R}_{1}}.{{R}_{V}}+{{R}_{1}}{{R}_{2}}+{{R}_{2}}{{R}_{V}}}{{{R}_{1}}+{{R}_{V}}} \\
\end{align}$
mà: $\frac{{{U}_{1}}}{{{U}_{AB}}}=\dfrac{{{R}_{1}}{{V}_{1}}}{{{R}_{1}}{{R}_{2}}+{{R}_{V}}.({{R}_{1}}+{{R}_{2}})(1)}$
Sơ đồ mạch điện : $V//{{R}_{2}}$
Tương tự ta có:
$\begin{array}{*{35}{l}}
\text{ }\!\!~\!\!\text{ } & R{{'}_{AB}}={{R}_{1}}+\dfrac{{{R}_{2}}.{{R}_{V}}}{{{R}_{2}}+{{R}_{V}}} \\
\text{ }\!\!~\!\!\text{ }\!\!~\!\!\text{ } & =\dfrac{{{R}_{1}}.{{R}_{V}}+{{R}_{1}}{{R}_{2}}+{{R}_{2}}{{R}_{V}}}{{{R}_{2}}+{{R}_{V}}} \\
\text{ }\!\!~\!\!\text{ } & {} \\
\end{array}$
$\dfrac{{{U}_{2}}}{U{{'}_{AB}}}=\dfrac{{{R}_{2}}V}{{{R}_{1}}{{R}_{2}}+{{R}_{V}}.({{R}_{1}}+{{R}_{2}})}(2)$
Từ (1) và (2) ta có:
$\begin{align}
& \dfrac{{{U}_{1}}}{{{U}_{2}}}=\dfrac{{{R}_{1}}}{{{R}_{2}}} \\
& \Rightarrow {{U}_{2}}={{U}_{1}}.\dfrac{{{R}_{2}}}{{{R}_{1}}}=9,5.\dfrac{225}{300}=7,125V \\
\end{align}$
b)$Vnt{{R}_{1}}nt{{R}_{2}}$
Từ (1) ta có:
$\begin{align}
& \frac{{{U}_{1}}}{{{U}_{AB}}}=\dfrac{{{R}_{1}}{{R}_{V}}}{{{R}_{1}}{{R}_{2}}+{{R}_{V}}.({{R}_{1}}+{{R}_{2}})} \\
& \Rightarrow {{U}_{1}}=\dfrac{{{R}_{1}}{{R}_{V}}}{{{R}_{1}}{{R}_{2}}+{{R}_{V}}.({{R}_{1}}+{{R}_{2}})}.{{U}_{AB}}(3) \\
\end{align}$
Khi nối tiếp ta có:
$\begin{align}
& R={{R}_{1}}+{{R}_{2}}+{{R}_{V}} \\
& \Rightarrow I=\dfrac{{{U}_{AB}}}{R}=\dfrac{{{U}_{AB}}}{{{R}_{1}}+{{R}_{2}}+{{R}_{V}}} \\
& \dfrac{{{U}_{V}}}{{{U}_{AB}}}=\frac{{{R}_{V}}}{R}=\dfrac{{{R}_{V}}}{{{R}_{1}}+{{R}_{2}}+{{R}_{V}}} \\
& \Rightarrow {{U}_{V}}=\dfrac{{{R}_{V}}}{{{R}_{1}}+{{R}_{2}}+{{R}_{V}}}.{{U}_{AB}}=12V(4) \\
\end{align}$
Từ (3) và (4):
$\begin{align}
& \dfrac{{{U}_{1}}}{{{U}_{V}}}=\dfrac{{{R}_{1}}({{R}_{1}}+{{R}_{V}})+{{R}_{1}}{{R}_{V}}}{{{R}_{1}}{{R}_{2}}+{{R}_{V}}.({{R}_{1}}+{{R}_{2}})} \\
& \Leftrightarrow \dfrac{9,5}{12}=\frac{R_{1}^{2}+{{R}_{1}}{{R}_{V}}+{{R}_{1}}{{R}_{V}}}{{{R}_{1}}{{R}_{2}}+{{R}_{1}}{{R}_{V}}+{{R}_{2}}{{R}_{V}}} \\
& \Rightarrow {{R}_{V}}=\dfrac{12R_{1}^{2}+2,5{{R}_{1}}{{R}_{2}}}{9,5{{R}_{2}}-2,5{{R}_{1}}}=\dfrac{{{12.300}^{2}}+2,5.300.225}{9,5.225-2,5.300}=900\Omega \\
\end{align}$
Hiệu điện thế:
${{U}_{AB}}=12.\dfrac{300+225+900}{900}=19V$
Hãy giúp mọi người biết câu trả lời này thế nào?
Bảng tin
3
288
0
cho e hỏi V1 V2 là j ạ
2
1145
1
là I1 và I2