Vui lòng chỉ chọn một câu hỏi
Hoidap247.com Nhanh chóng, chính xác
+
Danh mục mới
2
74
1
Hãy luôn nhớ cảm ơn và vote 5* nếu câu trả lời hữu ích nhé!
3977
783
3231
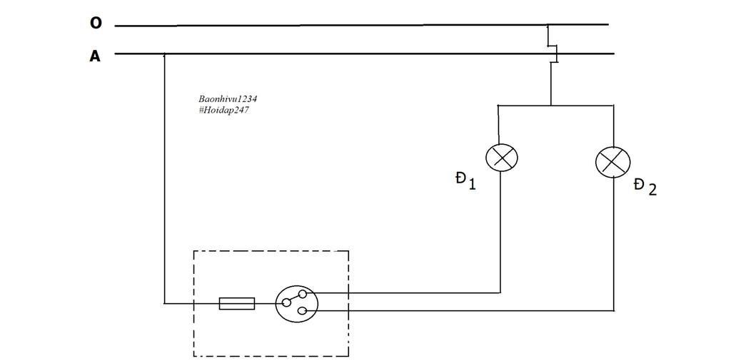
Sơ đồ lắp đặt mạch điện `1` cầu chì, `1` công tắc `3` cực điều khiển `2` đèn:
Hãy giúp mọi người biết câu trả lời này thế nào?
mk lm bằng mt bạn phóng to lên xem nhé thông cảm hộ tớ
Xem thêm:
2542
86473
1201
Hình ảnh
Bảng tin
Gửi yêu cầu Hủy
3977
783
3231
mk lm bằng mt bạn phóng to lên xem nhé thông cảm hộ tớ