Đăng nhập để hỏi chi tiết


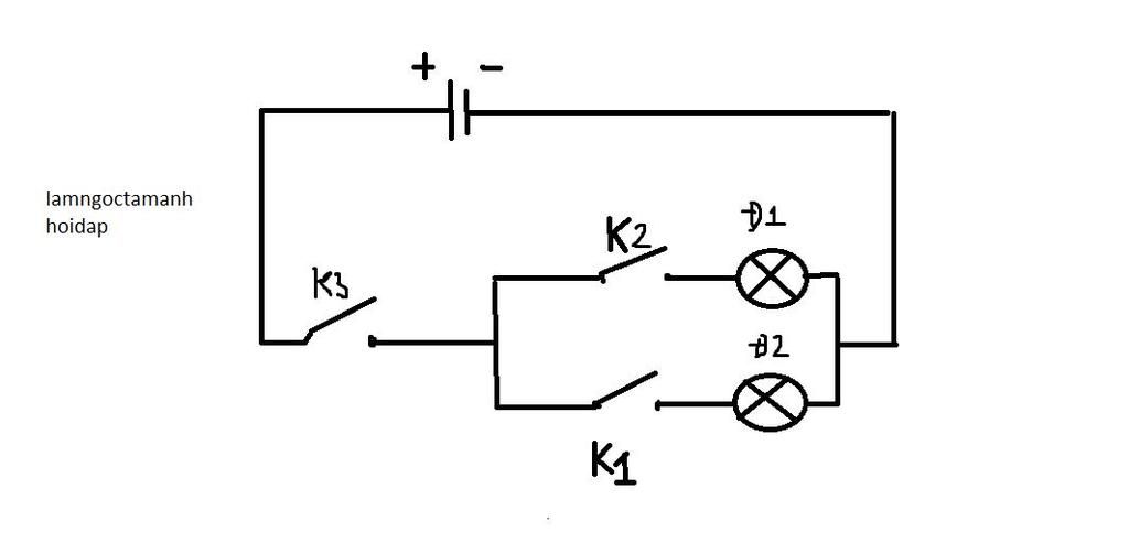
Hãy vẽ một mạch điện gồm 1 nguồn, 2 đèn, 3 khoá K sao cho:
+ K1 đóng thì đèn Đ1 sáng
+ K2 đóng thì đèn Đ2 sáng
+ K3 đóng thì cả 2 đèn đều tắt.
Hãy luôn nhớ cảm ơn và vote 5*
nếu câu trả lời hữu ích nhé!
Đáp án: Gửi
Nếu sai cho xin lỗi nhiều ạ.
Mình mới sửa lại hình ạ, xin lỗi nhiều ạ.
Hãy giúp mọi người biết câu trả lời này thế nào?
`***` `color{#c7ddff}{t}color{#9fc2ff}{a}color{#6ea2ff}{n}color{#2f6fe6}{}color{#2a4f8f}{h}`
`-` Ảnh ạ.
`-` Cô mình giảng thế này,nếu sai thì cho mình xin lỗi ạ.
Hãy giúp mọi người biết câu trả lời này thế nào?
Bảng tin
340
1350
360
đề là 3 cái khóa sao ô lm 4 cái luôn r
142
1436
15
giỏi vtr
1981
5072
1612
3 cái khóa là trên 3 đường kia ạ. Mình được cô dạy chứ mình ko bt ạ.
1981
5072
1612
giỏi vtr -> còn ko bt lm đúng hay sai.
1981
5072
1612
Nếu sai thì cứ việc báo cáo ạ.
1981
5072
1612
Mình mới sửa lại ảnh ạ, bỏ khóa K ở bên ngoài đi ạ.