

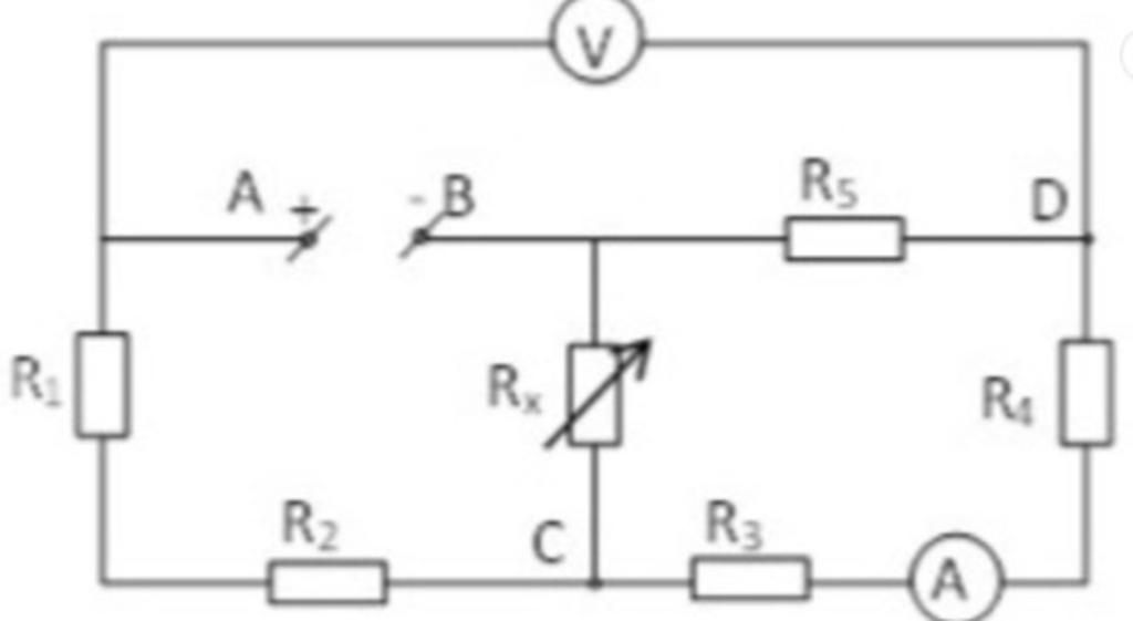
Câu hỏi:Cho mạch điện có sơ đồ như hình vẽ bên. Trong đó UAB = 9V không đổi; R1 = R3 = R4 = R5 = 3; R2 = 2,4; Rx là một biến trở có giá trị lớn nhất bằng 20; ampe kế và vôn kế là lý tưởng; điện trở của các dây dẫn không đáng kể.
1. Điều chỉnh để Rx = 6. Tìm số chỉ của ampe kế và vôn kế.
2. Điều chỉnh Rx để ampe kế chỉ 0,5A. Tính giá trị của Rx khi đó.
3. Cho Rx tăng từ 0 đến 6 thì công suất tỏa nhiệt trên Rx thay đổi như thế nào?
Giải bài chi tiết giúp mình
Bảng tin
