

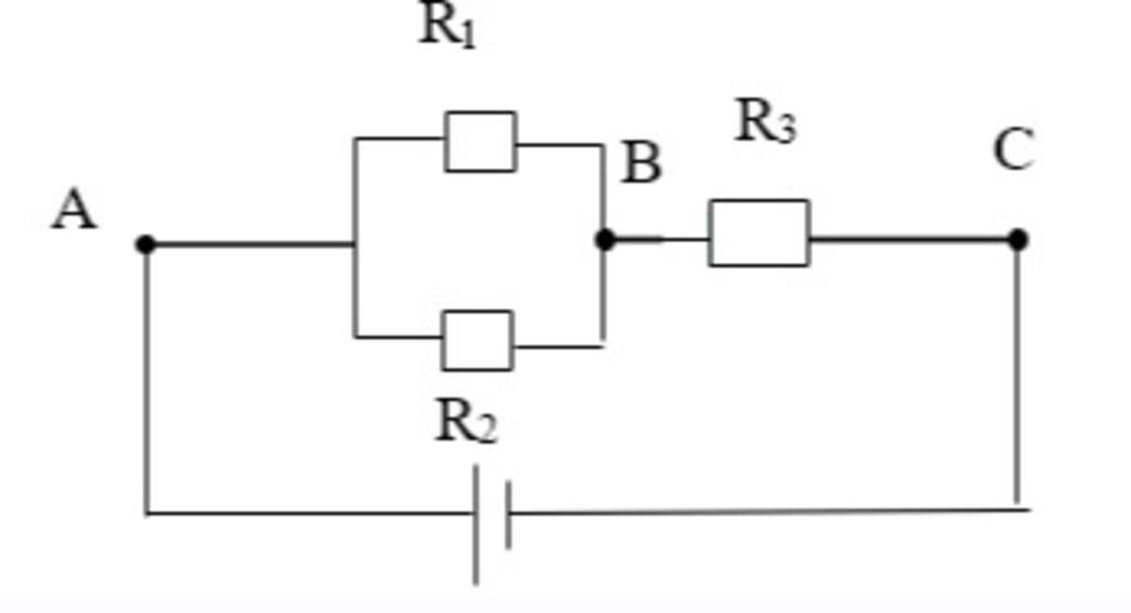
Cho mạch điện có sơ đồ như hình vẽ dưới đây:
biết R1 =3 ohm ,R2 = 6 ohm , R3 = 6 ohm , UAB = 3V.
hãy tính
a. Điện trở tương đương của đoạn mạch AC.
b. Cường độ dòng điện qua R3.
c. Hiệu điện thế của nguồn điện.
d. Cường độ dòng điện qua R1 và R2.
e. Để xác định cường độ dòng điện qua điện trở R1 bằng thực nghiệm người ta sử dụng Ampe kế. Hãy vẽ sơ đồ mạch điện khi sử dụng Ampe kế để xác định cường độ dòng điện qua điện trở R1
Hãy luôn nhớ cảm ơn và vote 5*
nếu câu trả lời hữu ích nhé!

Mạch: $(R_1 // R_2) nt R_3$
a. Ta có:
$R_{12} = \dfrac{R_1.R_2}{R_1 + R_2} = \dfrac{3.6}{3 + 6} = 2 (\Omega)$
$R_{tđ} = R_{12} + R_3 = 2 + 6 = 8 (\Omega)$
b.
Cường độ dòng điện qua đoạn $AB$ là:
$I_{AB} = \dfrac{U_{AB}}{R_{12}} = \dfrac{3}{2} = 1,5 (A)$
Cường độ dòng điện qua $R_3$ là:
$I_3 = I_{12} = I = 1,5 (A)$
c. Hiệu điện thế của nguồn:
$U = I.R_{tđ} = 1,5.8 = 12 (V)$
d. Ta có: $U_{AB} = U_1 = U_2 = 3 (V)$
Cường độ dòng điện qua $R_1$, $R_2$ lần lượt là:
$I_1 = \dfrac{U_1}{R_1} = \dfrac{3}{3} = 1 (A)$
$I_2 = \dfrac{U_2}{R_2} = \dfrac{3}{6} = 0,5 (A)$
e. Mắc Ampe kế nối tiếp với $R_1$
Hãy giúp mọi người biết câu trả lời này thế nào?

Bảng tin