

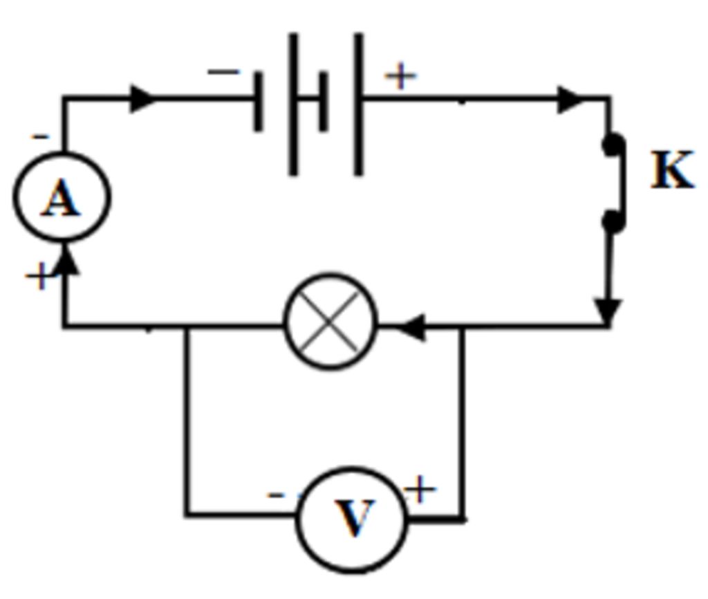
vẽ sơ đồ mạch điện gồm 1 nguồn điện 2 pin 1 bóng đèn 1 biển trở 1 vôn kế đo hiệu biến giữa 2 đầu bóng đèn và các dây điện
Hãy luôn nhớ cảm ơn và vote 5*
nếu câu trả lời hữu ích nhé!
Ampe kế được mắc nối tiếp trong đoạn mạch sao cho dòng điện đi vào chốt dương và đi ra ở chốt âm.
Vôn kế được mắc song song với bóng đèn sao cho chốt dương về phía cực dương của nguồn, chốt âm về phía cực âm của nguồn.
Dòng điện có chiều đi ra từ cực dương của nguồn, qua các dụng cụ điện và đi về cực âm của nguồn.
Ta có sơ đồ mạch điện:
Hãy giúp mọi người biết câu trả lời này thế nào?
Bảng tin
0
-2947
4
vô nhóm không