Đăng nhập để hỏi chi tiết


Hãy luôn nhớ cảm ơn và vote 5*
nếu câu trả lời hữu ích nhé!
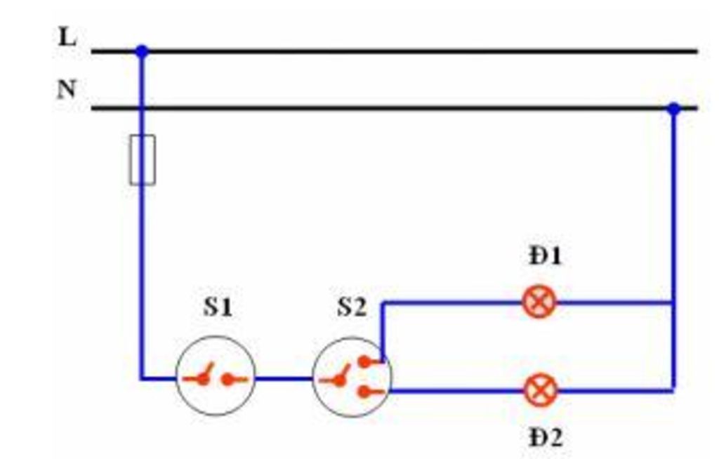
đèn cầu thang hình 1
Cực 1 công tắc 3 cực nối với đèn 1
Cực 2 công tắc 3 cực nối với đèn 2
Công tắc 2 cực dùng để đóng hoặc ngắt nguồn điện
Nguyên lý hoạt động:
Trạng thái 1: Đèn 1 sáng và đèn 2 tắt.
Trạng thái 2: Đèn 1 tắt và đèn 2 sáng.
Công tắc S1 dùng để tắt toàn bộ mạch.
Hai đèn 1 và 2 là hai đèn khác loại, hoặc có công suất khác nhau
câu 2 ảnh 3.
Hãy giúp mọi người biết câu trả lời này thế nào?

Bảng tin