

Hãy luôn nhớ cảm ơn và vote 5*
nếu câu trả lời hữu ích nhé!

Đây là câu trả lời đã được xác thực
Câu trả lời được xác thực chứa thông tin chính xác và đáng tin cậy, được xác nhận hoặc trả lời bởi các chuyên gia, giáo viên hàng đầu của chúng tôi.
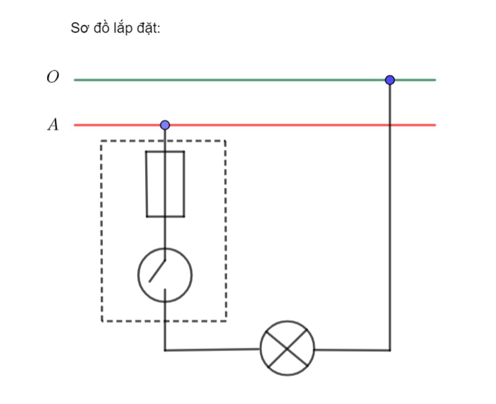
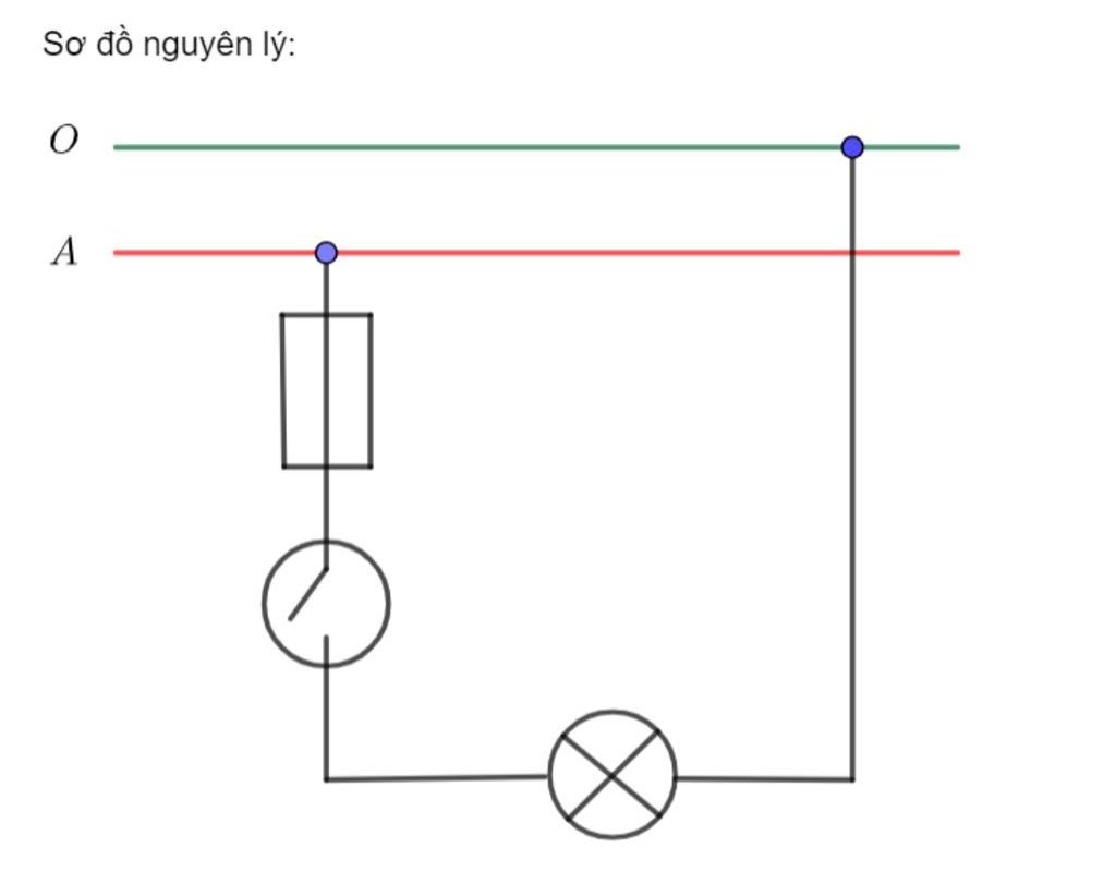
Xem sơ đồ nguyên lý và sơ đồ lắp đặt mạch điện 1 cầu chì, 1 công tắc 2 cực điều khiển 1 bóng đen như hình vẽ.
Trong sơ đồ lắp đặt, cầu chì và công tắc được lắp vào bảng điện.
Hãy giúp mọi người biết câu trả lời này thế nào?
Có thêm ổ điện 4 lỗ thì vẽ như nào ạ
giúp e với ạ https://hoidap247.com/cau-hoi/6610249
Giúp em vs vẽ sơ đồ lắp đặt gồm 1 cầu chì điều khiển công tắc 2 cực điều khiển độc lập 2 bóng đèn 1 ổ điện
em muốn thêm ổ điện thì vẽ sao ạ
Vẽ nối tiếp với cầu chì, song song với công tắc và bóng đèn
mình muốn hỏi cái sơ đồ lắp á bạn giúp mik nhé
Bảng tin
0
200
0
ơ thế muốn vẽ thêm ổ cắm thì như nào ạ